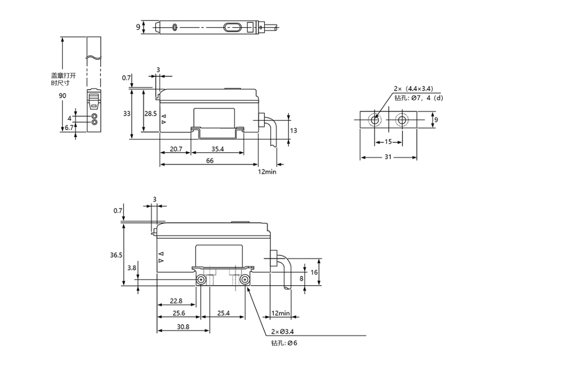
KJT-FDQ-V11光纖放大器
- 型 號:KJT-FDQ-V11
- 光 源:紅色LED
- 響應時間:200 μs /400 μs /0.8 ms
- 電源電壓:12 至 24 VDC ±10 %、紋波 (P-P) 10 % 以下
- 消耗電流:50 mA 以下
適合檢測微小物體和微小色差,適應狹小空間和不良環境安裝的高性能光纖傳感器◆光纖檢測頭小巧,適應狹小空間安裝,光纖頭能在電磁干擾大,溫差大,濕度大,需防爆的場合等不良環境中可靠工作?!舨僮骱唵?靈敏度可調

型號 | KJT-FDQ-V11(P) |
光源 | 紅色LED |
響應時間 | 200 μs /400 μs /0.8 ms |
電源電壓 | 12 至 24 VDC ±10 %、紋波 (P-P) 10 % 以下 |
消耗電流 | 50 mA 以下 |
| 控制輸出 | 集電極開路:DC 26.4V max;負載電流:100mA max;殘留電壓:1V max. |
保護電路 | 電源及輸出逆接保護、輸出過流和短路保護 |
工作環境 | 白熾燈:最大 10,000 lux、日光:最大 20,000 lux |
環境溫度 | -20 至 +55°C (無凍結) |
相對濕度 | -35 至 85 % RH (無凝結) |
耐振動性 | 10 至 55 Hz、雙振幅 1.5 mm、X,Y,Z 方向各 2 個小時 |
耐沖擊性 | 500 m/s2、X,Y,Z 方向各 3 次 |
外殼材料 | 聚碳酸酯 |
重量 | 約 80 g |





